分类:
全部
区域能源
数字城市
新城建
绿色建筑
数字岩土
钢结构
生态治理
新型设备
新型建材
新型工艺工法
山地工程
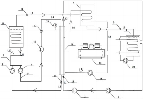
一种鼓泡吸收型溴化锂吸收式热泵及其控制方法 本发明公开了一种鼓泡吸收型溴化锂吸收式热泵及其控制方法,其中,溴化锂吸收式热泵包括蒸发器、冷凝器、膨胀阀、溶液发生器、溶液热交换器、风机盘管、鼓泡吸收器。鼓泡吸收器分别通过管路与蒸发器、冷凝器、溶液热交换器和风机盘管连接,溶液热交换器通过管路与溶液发生器连接,冷凝器分别通过管路与蒸发器、溶液发生器、风机盘管连接;蒸发器产生的制冷剂蒸汽由增压泵增压后通过管路送入到鼓泡吸收器内。本发明通过增压泵给制冷剂蒸汽加压,使真空状态下制冷剂蒸汽在溴化锂溶液中成功起泡,增强了溴化锂吸收式热泵的换热能力,提高了机组的循环性能。鼓泡吸收器和蒸发器之间通过制冷剂蒸气管道连接,保证了蒸发器与吸收器间的压力平衡。 立即咨询
一种脉动热管的压力监测系统及方法 本发明提供了一种脉动热管的压力监测系统,包括:脉动热管子系统,加热冷却子系统及动态数据采集子系统,动态数据采集子系统包括温度监测装置、压力监测装置和采集计算机;温度监测装置用于监测测点的工质温度;采集计算机用于实时显示和保存采集的脉动热管的瞬时温度值及压力值;压力监测装置包括压力传感器和压差传感器:压力传感器,用于监测脉动热管充液三通部位作为基准点的压力值,压差传感器,用于监测所述脉动热管上的测点与基准点的压差值。本发明解决了脉动热管不同工况运行时压力大、管内各点压差变化小的测量不精确问题。 立即咨询
一种透水铺装装置及其相应的排水方法 一种透水铺装装置及其相应的路面透水方法,包括至少一个蓄水模块,该蓄水模块上表面包括至少两个透水孔(1),透水孔(1)下方包括蓄水空腔(10),该蓄水空腔(10)内设置浮子(11),该浮子(11)连接活动柱(9),该活动柱(9)嵌入透水孔(1)内,该活动柱(9)根据水位不同在透水孔(1)内上下活动;本发明所述透水铺装结构的主要创新点在于蓄水模块内部含蓄水空腔,且由蓄水模块的上部骨架承受荷载,从而实现增强透水铺装强度的目的,该结构采用一体结构和透水孔的设计,可以截留污染物,并尽可能的减少堵塞发生,提高铺装使用寿命。 立即咨询
一种双层轻质隔墙板定位安装结构 本实用新型公开了一种双层轻质隔墙板定位安装结构,包括主体结构、安装卡和隔墙板,安装卡成组设置在主体结构上,安装卡设在隔墙板的顶部及底部,隔墙板通过安装卡设在主体结构之间,平行设置双层;安装卡包括定位卡座和安装盖板,定位卡座设在主体结构上,安装盖板连接在定位卡座上,隔墙板位于定位卡座和安装盖板之间。本实用新型采用由定位卡座和安装盖板组成的分体式安装卡,安装盖板可拆卸连接在定位卡座上,实现了轻质隔墙板从安装卡宽度方向上插入,操作方便快捷,降低轻质隔墙板的安装操作难度,并且定位卡座和安装盖板之间的连接结构也增强了轻质隔墙板与安装卡的连接强度和稳定性,增加了结构安全性。 立即咨询
一种汽车共享车位管理系统 本发明公开了一种汽车共享车位管理系统,包括共享车位站点,包括第一车位区、第二车位区,第一车位区包括若干个第一车位,用于放置新能源汽车,第二车位区包括若干个第二车位,用于放置燃油汽车,第一车位与第一管理中心连接,第二车位与第二管理中心连接,第一管理中心、第二管理中心分别与云服务器连接,用于描述当前车位管理情况,云服务器还连接有客户端,用于存储共享车位站点的数据,第一管理中心、第二管理中心分别与提醒装置连接,用于提醒车主共享车位站点停车信息。采用本发明提供的车位共享系统,通过采集车位数据,通过云端服务器以及用户客户端实现共享车位数据,分时租赁,错峰停车,减少了停车场和停车位的管理成本。 立即咨询
一种自动排水箅子及方法 本发明提供了一种自动排水箅子及方法,包括:箅子本体、箅子座、顶起机构和控制机构;箅子本体与箅子座通过箅子销轴翻转连接;顶起机构设置于箅子销轴相对于箅子本体的另一侧,控制机构与所述顶起机构电路连接,顶起机构用于根据所述控制机构的指令控制所述箅子本体弹起或落下一定的角度,顶起机构还具有可压缩性,根据外部压力自动压下和弹起;控制机构包括雨量检测装置,控制机构根据雨量检测装置传输的雨水水流压力,自动控制所述顶起机构的启闭。该箅子可以自动控制,省时省力以及减少整体开盖的危险,并且由于箅子本体固定,减少箅子本体丢失的风险。 立即咨询
一种基坑支护锚索、土钉墙用锚头结构 本实用新型涉及一种基坑支护锚索、土钉墙用锚头结构,属于土木工程技术领域,该锚头结构包括锚板、锚索杆体和螺母,锚索杆体由硬质复合材料制成且该锚索杆体外表面设有外螺纹,锚板上设有通孔,锚索杆体插接在通孔中,螺母螺接在锚索杆体上,锁紧状态下,螺母与锚板相贴,使用时,先将锚索杆体的一端固接在需要支护的位置,再通过通孔而将锚板套在锚索杆体上并使得锚板与需要支护的位置表面相贴,然后将螺母拧在锚索杆体上并压紧在锚板表面,使用张拉工具在锚索杆体上施加拉拔力而使得锚索杆体张拉一定程度,最后将螺母再次拧紧,从而对锚索杆体的预紧力进行锁紧,以满足临时支护结构的要求,该锚头结构具有结构简单、成本低以及操作方便的优点。 立即咨询
清凉路面材料、清凉路面混合料及其制备方法 本发明提供了清凉路面材料、清凉路面混合料及其制备方法,由吸附保水材料、胶结改性材料和抗剥落组分按照一定的比例混匀,以得到路面材料,制备作业简单,其吸附保水材料通过相变的过程以达到保水控温的目的,在此基础上,胶结改性材料通过减少对太阳能辐射的吸附,进一步加强控温的效果,抗剥落组分使路面平整性好,不易开裂。路面混合料将具有一定比例的路面材料与矿质集料混匀,以用于路面铺设,使路面具有保水控温的效果。本发明的清凉路面材料、清凉路面混合料及其制备方法,保水控温效果好,制备方法简单,成本低廉。 立即咨询
一种可反复拆装的上人脚手架 本实用新型公开了一种可反复拆装的上人脚手架,包括柱、梁、平台板、梯子和斜拉索,所述柱包括上层柱和下层柱,梁包括上层梁和下层梁,下层柱的端部安装有节点,节点上开有螺栓孔,上层柱的底部安装有同样大小的节点,上层柱的节点上开有螺栓孔,上层梁和下层梁的两端分别安装有平台板,平台板上开有螺栓孔,上层柱和下层柱的侧面均设置有螺栓孔,平台板与梁之间通过螺栓连接,平台板之间通过梯子相连,上层柱的端部之间以及下层柱的端部之间通过斜拉索相连。该结构安装快捷,拆卸方便,单根构件尺寸小,重量轻,便于运输与存放;构件规格统一,方便构件的大量生产与推广;该结构使用者可以根据自己的实际情况选择层的数量和拼装单元的数量,适用于各种情况。 立即咨询
一种室内外一体化三维导航路径规划方法 本发明涉及GIS三维建模与导航应用领域,具体涉及一种室内外一体化三维导航路径规划方法。该方法是基于CityEngine与SketchUp等建模软件构建出的室内外三维模型,分别提取建筑物室内、外模型中可导航区域的三维几何中心点与线,依次相连而成并进行整合,形成完整的室内外一体化三维导航路径网络,再利用ArcGIS中的最近设施点分析工具进行最短路径分析,并通过ModelBuilder工具完成地理建模,通过该模型实现批量化的路径分析处理。该方法所涉及的三维导航路径提取与规划,为机器人或无人机室内外一体化智能导航提供了有益的参考。 立即咨询
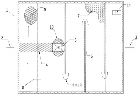
一种基于管网调蓄的雨水径流调控装置 本发明涉及一种基于管网调蓄的雨水径流调控装置,属于污水处理技术领域。包括调蓄池、进水管,出水管,调蓄池内包括过流式截污栅网、集泥斗、导流板、穿孔板、集泥槽、第一检查井、第二检查井;过流式截污栅网上端与进水管倾斜相连,下端与集泥斗连接,集泥斗设置在第二检查井下部;集泥斗后侧依次交错设置有n个导流板,从而将调蓄池划分为n+1个隔室单元,n≥3;调蓄池的底板具有倾斜向下的坡度,且坡向进水端,同时在靠近进水端的底板处设置有集泥槽,集泥槽也具有一定坡度,且坡向第一检查井方向;在调蓄池的底板上且靠近调蓄池进水端的n个隔室单元池底位置水平铺设有穿孔板。本发明有效克服了现有调蓄设施水质净化效率低的问题。 立即咨询
一种自动基质清洗的绿色屋顶及其使用方法 一种自动基质清洗的绿色屋顶及其使用方法。一种自动基质清洗的绿色屋顶,包括植被层,基质层,穿孔板与土工布层,排水层,防水层,蓄水装置Ⅰ和蓄水装置Ⅱ,植被层位于最上方,植被层的两侧分别设置有溢流蓄水口阀门和清洗排水口阀门;基质层位于植被层下方并为植被层提供养分;穿孔板与土工布层位于基质层的下方;排水层位于所述穿孔板与土工布层之下,排水层的两侧分设有双向阀门Ⅰ和排水口阀门;防水层设于所述排水层下方;蓄水装置Ⅰ与所述蓄水装置Ⅱ设在绿色屋顶同侧,蓄水装置Ⅱ中设有增压水泵,蓄水装置Ⅰ中设有水位计,蓄水装置Ⅰ下方设置有双向阀门Ⅱ以连通蓄水装置Ⅰ与蓄水装置Ⅱ,且蓄水装置Ⅰ的上方设置有进水口阀门以调用其他水源。 立即咨询
共129条 3 4 5 6 7  ···  11 前往